




.商品簡介:
這款電位器是二合一的,可以放在麵包板上,也可以和控制面板一起使用。這是一個相當標準的10K歐姆線性電位器,帶有三個引腳。表面光滑,容易轉動。針腳與針腳之間的距離為0.2英吋,你可以把它插入麵包板使用。當你完成原型設計時,你可以在項目上鑽一個洞,然後把電位器安裝上去。
.主要用途:
轉動改轉電阻直
.商品特色:
.商品規格:
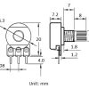
尺寸:16.3*20*22.2mm
重量:5g
型號:B10K
柄長:15mm
歐姆:10K
旋轉扭矩:0.5至1.25盎司-英吋
靜態停止強度:90 oz-in 盎司-英吋
壽命:100,000次轉動
.商品包含:
1 x 單聯電位器 B10K 柄長15mm (三腳)
1 x 螺母









